Skip to content
  • Политика конфиденциальности
  • Обратная связь

Промышленность и производство

Технологии, Которые Меняют Ландшафт Производства

  • Автоматические линии
  • Доменные процессы
  • Клапана для оборудования
  • Легкие металлы
  • Литейное оборудование
  • Новости
  • Промышленное оборудование
  • Станки для производства
  • Трубопроводы
    • Вентили
    • Сварка
    • Гибкие трубопроводы
    • Гофротрубы
    • Задвижки
    • Краны для труб
    • Металлические трубопроводы
    • Муфты
    • Полимерные трубы
    • Резьбовые соединения
    • Трубы для газа
    • Утепление труб
    • Фитинги
    • Фланцы
  • Цинковые покрытия
  • Toggle search form
Преобразователь частоты: как он работает и зачем нужен в современном мире

Преобразователь частоты: как он работает и зачем нужен в современном мире

Posted on 9 декабря 2024 By germecmetal

Преобразователь частоты — это устройство, которое играет ключевую роль в современной электронике и промышленности. Оно предназначено для изменения частоты и напряжения электрического тока, что позволяет регулировать скорость вращения электродвигателей и оптимизировать работу оборудования. Благодаря своей универсальности, преобразователь частоты широко применяется в различных отраслях, от бытовой техники до сложных промышленных установок.

Содержание

Toggle
  • Что такое преобразователь частоты
    • Основные компоненты преобразователя частоты:
  • Как работает преобразователь частоты
  • Зачем нужен преобразователь частоты
    • Преимущества использования преобразователей частоты:
  • Области применения
    • Промышленность
    • Бытовая техника
    • ЖКХ и энергосистемы
  • Как выбрать преобразователь частоты

Что такое преобразователь частоты

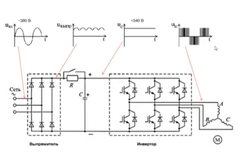
Преобразователь частоты, или частотный преобразователь, — это электронное устройство, которое преобразует электрический ток с одной частотой в ток с другой частотой. Основной принцип его работы заключается в преобразовании переменного тока в постоянный, а затем обратно в переменный с заданными параметрами частоты и напряжения.

Основные компоненты преобразователя частоты:

  • Выпрямитель — преобразует входной переменный ток в постоянный.
  • Инвертор — преобразует постоянный ток обратно в переменный с нужной частотой.
  • Система управления — обеспечивает контроль и настройку параметров работы преобразователя.

Эти компоненты работают совместно, чтобы обеспечить точное управление скоростью и крутящим моментом электродвигателей.

Как работает преобразователь частоты

Принцип работы преобразователя частоты заключается в следующем:

  1. Выпрямление переменного тока. Входной переменный ток преобразуется в постоянный при помощи выпрямителя. Это первый этап преобразования.
  2. Сглаживание напряжения. Постоянный ток проходит через конденсаторы или другие фильтры, которые устраняют пульсации напряжения и обеспечивают стабильность.
  3. Инверсия в переменный ток. Постоянный ток преобразуется в переменный ток с заданной частотой и напряжением с помощью инвертора.
  4. Управление параметрами. Система управления регулирует выходные параметры тока в соответствии с требованиями нагрузки.
Читать статью  Ожидание. Мировой рынок металлургического сырья: 19 сентября — 3 октября

Этот процесс позволяет плавно изменять скорость вращения электродвигателя, что особенно важно для энергоэффективности и точного управления процессами.

Зачем нужен преобразователь частоты

Преимущества использования преобразователей частоты:

  1. Энергосбережение. Управление частотой вращения двигателя позволяет значительно снизить потребление энергии, особенно в системах с переменной нагрузкой, таких как насосы и вентиляторы.
  2. Улучшение производительности. Возможность точного контроля скорости двигателя улучшает качество продукции и снижает вероятность ошибок в производственном процессе.
  3. Продление срока службы оборудования. Плавный пуск и остановка двигателя с помощью преобразователя снижают механические нагрузки и износ деталей.
  4. Снижение уровня шума. Электродвигатели с регулируемой частотой работают тише, что повышает комфорт для оператора и снижает шумовое загрязнение.
  5. Гибкость и универсальность. Преобразователи частоты применимы в самых разных отраслях, от машиностроения до ЖКХ и бытовой техники.

Области применения

Промышленность

В промышленности преобразователи частоты используются для управления:

  • Конвейерами;
  • Насосами;
  • Вентиляционными системами;
  • Компрессорами;
  • Станками.

Они обеспечивают гибкость производства и повышают его энергоэффективность.

Бытовая техника

В быту преобразователи частоты используются в:

  • Стиральных машинах;
  • Кондиционерах;
  • Холодильниках.

Такие устройства работают эффективнее, потребляют меньше энергии и служат дольше.

ЖКХ и энергосистемы

В жилищно-коммунальном хозяйстве преобразователи частоты применяются для управления насосами в системах водоснабжения, отопления и вентиляции, что позволяет снизить расходы на электроэнергию и повысить надежность работы систем.

Как выбрать преобразователь частоты

При выборе преобразователя частоты необходимо учитывать следующие параметры:

  1. Мощность двигателя. Устройство должно соответствовать мощности подключаемого оборудования.
  2. Диапазон частот. Выберите преобразователь с подходящим диапазоном частот для вашего применения.
  3. Особенности нагрузки. Разные типы нагрузок требуют различных подходов к управлению. Например, насосы и вентиляторы требуют преобразователей с функцией регулировки крутящего момента.
  4. Условия эксплуатации. Учитывайте температурные, влажностные и другие факторы окружающей среды.
  5. Дополнительные функции. Современные преобразователи часто оснащены функциями диагностики, защиты от перегрузок и интерфейсами для подключения к системам автоматизации.
Читать статью  Гендиректором Центра аддитивных технологий назначен Алексей Мазалов

Преобразователи частоты — это незаменимые устройства для эффективного управления электродвигателями. Они обеспечивают энергоэффективность, продлевают срок службы оборудования и повышают производительность. Благодаря своей универсальности, эти устройства находят применение как в промышленности, так и в быту, оставаясь важной частью современной электроники и автоматизации. Правильный выбор и настройка преобразователя частоты помогут вам оптимизировать работу оборудования и сократить затраты на электроэнергию.

Похожие записи:

  1. Центр титановой индустрии смещается в Азию
  2. Металлообработка: искусство создания из металла
  3. Перевалка контейнеров в портах: рост российского рынка
  4. ФГБУ «ГлавСевморпуть» подвело итоги двухлетней работы
Новости

Навигация по записям

Previous Post: Почему продажа полимерного вторсырья — это умное решение для экологии и вашего кошелька
Next Post: Курсы по пожарной безопасности: кто обязан пройти и как это поможет в работе?

Related Posts

  • Кладочные и монтажные растворы: особенности и применение в строительстве
    Кладочные и монтажные растворы: особенности и применение в строительстве Новости
  • Мебельный щит из дуба: природная красота в вашем интерьере
    Мебельный щит из дуба: природная красота в вашем интерьере Новости
  • ММК сообщает о переносе даты публикации финансовых результатов за 12 месяцев 2024 года Муфты
  • Шведская компания расширяет производство высокопрочной стали в США Муфты
  • Топ-10 герметиков для надежной защиты транспортных средств
    Топ-10 герметиков для надежной защиты транспортных средств Новости
  • НЭВЗ инвестирует около 30 млрд руб. в локализацию тяговых двигателей Муфты

Свежие записи

  • Нержавеющая лента — тончайший металл с характером прочной стали
  • Какие задачи можно решить с помощью конструкционного профиля 50х180 на производстве
  • Уплотнения для мешалок: надежная защита оборудования и эффективность работы систем
  • Проекты двух челябинских компаний получили гранты регионального ФРП
  • Попечительский совет кластера переработки РЗМ в Сибири возглавит Денис Мантуров

Информация для правообладателей

Все материалы на данном сайте взяты из открытых источников — имеют обратную ссылку на материал в интернете или присланы посетителями сайта и предоставляются исключительно в ознакомительных целях. Права на материалы принадлежат их владельцам. Администрация сайта ответственности за содержание материала не несет. Если Вы обнаружили на нашем сайте материалы, которые нарушают авторские права, принадлежащие Вам, Вашей компании или организации, пожалуйста, сообщите нам через форму обратной связи.

Облако тегов

Ваш браузер не поддерживает тег HTML5 CANVAS.

  • Литейное оборудование
  • Муфты
  • Легкие металлы
  • Утепление труб
  • Цинковые покрытия
  • Гибкие трубопроводы
  • Трубы для газа
  • Полимерные трубы
  • Фитинги
  • Станки для производства
  • Вентили
  • Автоматические линии
  • Фланцы
  • Задвижки
  • Промышленное оборудование
  • Резьбовые соединения
  • Доменные процессы
  • Новости
  • Сварка
  • Металлические трубопроводы
Ноябрь 2025
Пн Вт Ср Чт Пт Сб Вс
 12
3456789
10111213141516
17181920212223
24252627282930
« Окт    

Copyright © 2025 Промышленность и производство.

Powered by PressBook News WordPress theme